Дом из клееного бруса для постоянного проживания 122.0м2
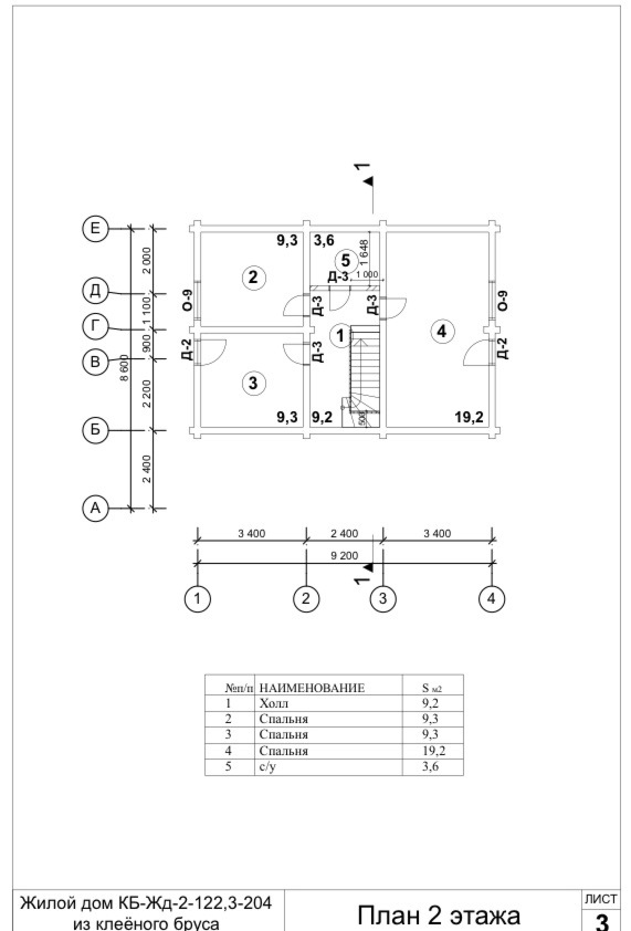
      Размеры дома: 9,2x8,6м
      Общая площадь: 122.0м2
      
        Базовая стоимость: 10 980 000 ₽
      
    
Получите консультацию по этому дому
Дом из клееного бруса для постоянного проживания 122.0м2
          Размеры дома: 9,2x8,6 м
          
          Площадь 1-го этажа: 71,7 м²
          
          
          Площадь 2-го этажа: 50,6 м²
          
          Общая площадь: 122.0 м²
        
В данном сооружении использовался клееный брус сечением Ш 174/ В 140 мм.
Тепловой контур (базовый комплект дома) включает в себя:
- устройство свайно-забивного фундамента,
- монтаж стен из клееного бруса,
- использование сухого строганного пиломатериала в конструкции,
- монтаж балок перекрытия 1-ого и 2-ого этажа с утеплением 200 мм,
- монтаж стропильно-балочной системы,
- устройство кровли — металлочерепица или мягкая кровля,
- монтаж кровли с утеплением 200 мм и установкой водосточной системы,
- обработку стен шлифовкой и покраской в два слоя защитным составом,
- обшивку свесов карнизов отделочной рейкой,
- монтаж пластиковых окон (профиль Rehau 70 мм, двухкамерный стеклопакет с энергосберегающим и мультифункциональным стеклом),
- монтаж входной двери,
- установку оконных и дверных блоков с москитными сетками, ограничителями открывания, подоконниками и отливами,
- сверловку кабель-каналов под последующий монтаж электропроводки.
          
            Стоимость базового комплекта, включая материалы и работы: 
10 980 000 руб.
          
        
Цена под ключ зависит от индивидуальных предпочтений заказчика. Окончательную цену данного проекта Вы можете уточнить по телефону.
Срок строительства ДВА месяца.
Напишите нам
Наш сайт использует cookies. Продолжая им пользоваться, вы соглашаетесь на обработку персональных данных в соответствии с Политикой конфиденциальности и Обработки персональных данных

 
            
             
            
             
            
             
            
             
            
             
            
            